Search
QINGDAO LG RIGGING CO.,LTD.
QINGDAO LG RIGGING CO.,LTD.
LGRIG® Marine Double Bollard ISO 13795-2012 Type A
LGRIG® Marine Double Bollard ISO 13795-2012 Type A

LGRIG® Marine Double Bollard ISO 13795-2012 Type A

Marine Double Bollard, also known as Double Bitt Boat Bollard.

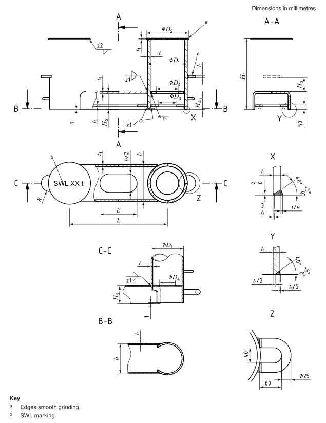
ISO 13795-2012 specifies the requirements and dimensions for Type A marine double bollards, which are used for mooring and towing operations on ships and in port facilities.

The bollard consists of two symmetrically arranged vertical horns with a circular cross-section and uniform diameter, mounted on a base plate and connected by a crossbeam.

The standard defines the minimum dimensions of the horns and base plate, the spacing between the horns, and the height of the crossbeam, along with the maximum load capacity.

Typically fabricated from steel or other durable materials to withstand harsh marine conditions, Type A double bollards are widely employed in ports and harbors for securing large vessels such as tankers and container ships.

Trawling Gear
Hooks
Shackles
Boat Fittings

Information of LGRIG® Marine Double Bollard ISO 13795-2012 Type A

Brand

LGRIG®

Material

Steel Plate

Standard

ISO 13795-2012 Type A

Style

Marine Double Bollard


Specification of LGRIG® Marine Double Bollard ISO 13795-2012 Type A

drawing-marine-double-bollard-iso-13795-2025-type-a-lgrig.jpg

Part No.

Nominal

Size

Dn

D1

D2

D3

D4

H1

H2

H3

H4

b

L

E

t

t1

t2

R

LGDBISO12A150

150

165.2

185

-

80

330

90

70

60

155

400

-

8.0

6

6

40

LGDBISO12A200

200

216.3

240

-

130

395

115

70

60

205

500

-

8.0

6

6

50

LGDBISO12A250A

250A

267.4

290

-

160

505

135

90

75

250

630

-

12.0

9

8

60

LGDBISO12A250B

250B

267.4

290

-

160

505

135

90

75

250

630

-

10.0

8

7

60

LGDBISO12A300A

300A

318.5

340

150

185

600

150

110

85

290

800

300

21.5

16

9

70

LGDBISO12A300B

300B

318.5

340

150

185

600

150

110

85

290

800

300

12.0

9

9

70

LGDBISO12A350A

350A

355.6

380

170

200

685

175

130

105

340

890

350

26.0

19

11

80

LGDBISO12A350B

350B

355.6

380

170

220

685

175

130

105

340

890

350

14.0

10

9

80

LGDBISO12A400A

400A

406.4

430

190

230

730

185

145

115

380

1000

380

28.0

20

13

85

LGDBISO12A400B

400B

406.4

430

190

250

730

185

145

115

380

1000

380

15.0

11

11

85

LGDBISO12A450A

450A

457.2

480

210

265

770

195

160

120

425

1100

410

29.0

21

14

90

LGDBISO12A450B

450B

457.2

480

210

285

770

195

160

120

425

1100

410

14.5

11

11

90

LGDBISO12A500A

500A

508.0

530

235

295

830

230

200

150

480

1250

460

32.0

23

16

100

LGDBISO12A500B

500B

508.0

530

235

320

830

230

200

150

480

1250

460

14.5

11

11

100

LGDBISO12A550A

550A

558.8

580

255

330

900

270

200

180

520

1380

540

31.0

22

16

110

LGDBISO12A550B

550B

558.8

580

255

350

900

270

200

180

520

1380

540

21.0

16

11

110

LGDBISO12A600

600

609.4

630

280

365

950

300

200

200

560

1550

600

33.0

23

16

120

SWL of ISO 13795-2012 Marine Double Bollard Type A:

Part No.

Nominal

Size

Welding leg length

SWL

Calculated

weight

For mooring purposes

(Figure-of-eight belay)

For towing purposes

(eye splice)


Dn

z1

z2

One-rope use

Two-rope use


(kg)

(kN)

(t)

(kN)

(t)

(kN)

(t)

LGDBISO12A150

150

3.5

3.5

54

5.5

49

5.0

383

10

29

LGDBISO12A200

200

3.5

3.5

82

8.4

65

6.7

579

13

46

LGDBISO12A250A

250A

5.5

4

156

16

134

14

1315

27

107

LGDBISO12A250B

250B

5.5

4

127

13

108

11

215

22

91

LGDBISO12A300A

300A

10.5

4

332

34

306

31

3365

62

281

LGDBISO12A300B

300B

10.5

4

186

19

161

16

352

36

166

LGDBISO12A350A

350A

12.5

5

443

45

418

43

5062

85

431

LGDBISO12A350B

350B

7

4

244

25

216

22

2855

50

241

LGDBISO12A400A

400A

12.5

6

594

61

521

53

6632

106

570

LGDBISO12A400B

400B

8

5

326

33

269

27

3816

67

322

LGDBISO12A450A

450A

12

7

753

77

612

62

8201

124

712

LGDBISO12A450B

450B

8

7

382

39

292

30

4483

78

379

LGDBISO12A500A

500A

12.5

8

992

101

757

77

10928

154

960

LGDBISO12A500B

500B

8

5

457

47

326

33

5474

93

465

LGDBISO12A550A

550A

11.5

8

1131

115

812

83

12635

165

1123

LGDBISO12A550B

550B

11.5

5

781

80

541

55

9280

159

787

LGDBISO12A600

600

11.5

8

1401

143

948

97

15539

193

1391


We are a professional manufacturer and supplier of Trawling / Rigging / Stainless / Yacht Equipments in China
Contact LG RIGGING NOW
Request a Free Quote
Upload
or drag files here.

Related Cleats & Fairleads

China LG RIGGING's Updates
Copyright © QINGDAO LG RIGGING CO.,LTD. All Rights Reserved.
sales@lg-lifting.com
+86 19524345486