Search
QINGDAO LG RIGGING CO.,LTD.
QINGDAO LG RIGGING CO.,LTD.
LGRIG® Marine Single Cross Bollard GB 10106-88 Type A
LGRIG® Marine Single Cross Bollard GB 10106-88 Type A

LGRIG® Marine Single Cross Bollard GB 10106-88 Type A

Marine Single Cross Bollard, also known as Single Cross Bitt Boat Bollard.

The GB 10106-88 Marine Single Cross Bollard Type A is a standardized marine bollard manufactured from steel plate, featuring a cross-shaped base that ensures structural stability and durability.

Designed to withstand harsh marine conditions, including saltwater exposure and heavy loads, it provides a smooth surface to minimize rope friction and damage.

Typically installed on docks or vessels, it serves as a reliable anchoring point for mooring lines of various ship sizes, from small boats to large cargo ships, and is widely recognized in the industry for its robust performance and compliance with national standards.

Trawling Gear
Hooks
Shackles
Boat Fittings

Informations of LGRIG® Marine Single Cross Bollard GB 10106-88 Type A

Brand

LGRIG®

Material

Steel Plate

Standard

GB 10106-88 Type A

Style

Marine Single Cross Bollard


Specifications of

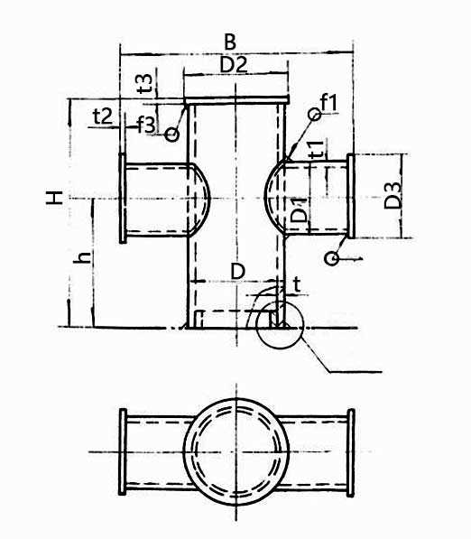
drawing-marine-single-cross-bollard-gb10106-88-type-a-lgrig.jpg

Part No.

Nominal

Dia.

Max. Breaking

Load of

Applicable

Wire

KN(ton)

Max.Dia.of Applicable Rope

H

B

h

D

D1

D2

Wire rope

Synthetic

Carbon

Fiber

Hemp

6x24

6x30

6x37

LGCB10106A150

150

117(12)

15

15

13

30

44

480

460

280

168

114

206

LGCB10106A200

200

225(26)

22.5

24

19.5

45

64

560

520

320

219

168

260

LGCB10106A250

250

382(39)

28

30

26

56

80

640

610

360

273

219

310

LGCB10106A300

300

549(56)

33.5

34.5

30

70

104

680

660

380

325

273

360

LGCB10106A350

350

686(70)

37.5

39

34.5

77

120

720

720

420

351

273

400


Continued:

Part No.

Nominal

Dia.

D3

d

d1

t

t1

t2

t3

Weight

(kg)

LGCB10106A150

150

158

240

120

10

9

8

8

31

LGCB10106A200

200

210

280

140

14

10

10

10

62

LGCB10106A250

250

260

340

170

14

12

12

12

98

LGCB10106A300

300

310

400

200

16

14

14

14

143

LGCB10106A350

350

314

440

240

20

14

14

14

192


We are a professional manufacturer and supplier of Trawling / Rigging / Stainless / Yacht Equipments in China
Contact LG RIGGING NOW
Request a Free Quote
Upload
or drag files here.

Related Cleats & Fairleads

China LG RIGGING's Updates
Copyright © QINGDAO LG RIGGING CO.,LTD. All Rights Reserved.
sales@lg-lifting.com
+86 19524345486